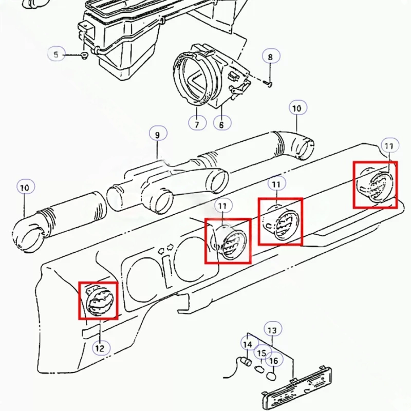
Descripción
Especificaciones del Kit
-
Compatibilidad: Válido para Suzuki Samurai, Santana, SJ410 y SJ413.
-
Material: Plástico ABS negro de alta resistencia.
-
Movimiento: Rejillas orientables (arriba/abajo) y con cierre de caudal.
-
Instalación: Son de tipo «clip-on» (a presión). No requieren tornillos, solo hay que hacer palanca con cuidado para sacar los viejos.









